Free Shipping on all orders over $39.99.
Cart: 0.00$ 0

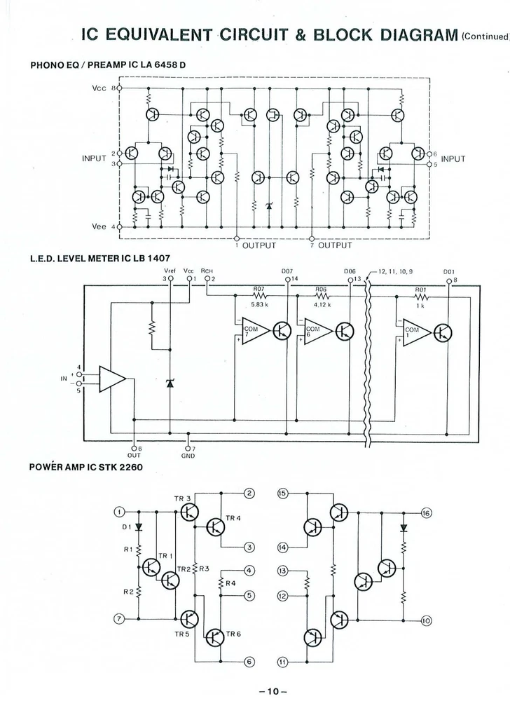
Fisher CA-78 78 Integrated Stereo Amplifier Owners Manual

Fisher CA-78 78 Integrated Stereo Amplifier Owners Manual

$ 10.55

Printed Manual Fisher Integrated Stereo Amplifier CA 78 Service Manual 16 Printed Pages Bound Together Loaded with illustrations, instructions, photos, and diagrams. PLEASE LOOK AT THE PICTURES SO YOU...

Description

Printed Manual Fisher Integrated Stereo Amplifier CA 78 Service Manual 16 Printed Pages Bound Together Loaded with illustrations, instructions, photos, and diagrams. PLEASE LOOK AT THE PICTURES SO YOU KNOW WHAT TO EXPECT. PLEASE LOOK AT THE PICTURES SO YOU KNOW WHAT TO EXPECT. I cannot guarantee this manual has clear images, photos or diagrams.

Reviews

  1. Toasterbaita

    This seller went above customer satisfaction, I ordered a tractor service manual from someone else, that took forever to be delivered. And it was not as described which was very disappointing, only 128 pages. So I looked for someone else to buy from. This seller not only contacted me to make sure it was what I wanted. They shipped it out immediately and I received it the following week. The condition is excellent for being a photocopy reprint and very detailed. Very pleased. Thank you!

  2. Adam Popławski

    As described really nicely made book of instructions and the condition looks new in appearance and worth the price I paid for this book well packed and quick shipping. Seller has alot to offer at reasonable prices so its worth the look at his store. If I every need another book on anything else I will go to his website and buy from him. Great transaction

  3. sennheiserc1

    SouthwestTractorParts is very professional and sold me a quality part in excellent condition, at a good price. They communicated appropriately. The part shipped quickly and arrived in a short time. I will be checking back with them for future purchases.